中文在线天堂а√在线-日韩一卡二卡 3卡四卡乱码-国产亲妺妺乱的性视频免费-国产又爽又黄又舒服又刺激视频

 
 
小型通用變頻器VS-J1000
小型通用矢量變頻器VS-V1000
小型通用變頻器VS-mini J7
小型通用矢量變頻器VS-606V7
通用型矢量控制變頻器VS-F7
高性能矢量控制變頻器VS-G7
電梯控制專用變頻器VS-L7
風機泵專用變頻器VS-E7
更多變頻器產
安川Σ-L系列伺服
安川Σ-Ⅱ系列伺服
西門子系列產品
施耐德系列產品
富士電機系列產品
三菱電機系列產品
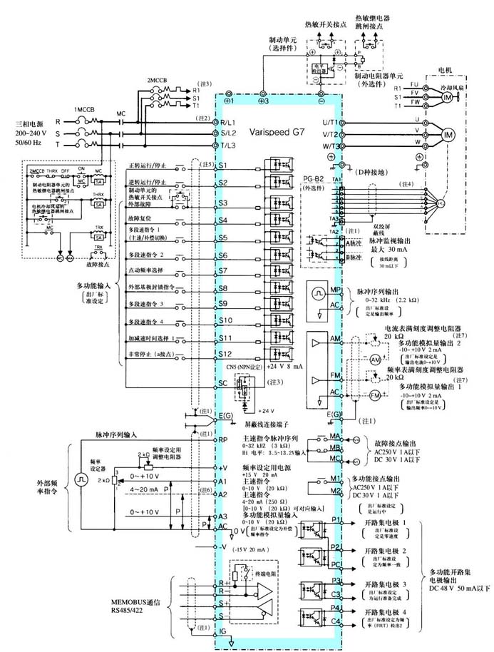
首頁 > 產品與服務 > 安川變頻器 > VS-G7 > 標準接線圖

高性能、3電平控制真正電流矢量控制變頻器

VS-G7 (原VS-616G5完全升級產品)

三相200V 0.4-110KW 三相400V 0.4-300KW

產品介紹 標準規格 標準接線圖 外形尺寸 產品報價

Varispeed G7系列采用技術的“三電平控制方式”并一舉獲得成功變頻器。此項成果一舉解決了400V級電機由于沖擊電壓造成的電機絕緣體損傷和由于軸電壓造成的電機主軸的電腐蝕問題。電流矢量控制所擁有的高性能、多功能,可以使各式各樣的機械設備在高效率高精度狀態下運行。

標準接線圖

 
版權所有:北京卓越世紀電氣有限公司

Copyright © 2001- 2003 bjzysj.com, All Rights Reserved

電話:010- 83558761 83558762 83558763 傳真:010-63519378

地址:北京市西城區紅蓮南路文化大廈915室      郵編:100054